Sappiamo tutti quanto siano vitali le candelette per avviare un'auto diesel, soprattutto nelle mattinate fredde. Ma non dimenticare di prestare attenzione alla centralina della candeletta. Perché? Quanto possono essere efficaci le candelette se la centralina della candeletta non funziona? Quindi, se sospetti che la centralina della candeletta non funzioni come dovrebbe, è una buona idea sostituirla.
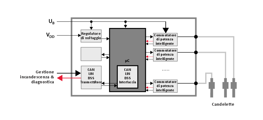
Prima di passare a come rimuovere e installare una nuova centralina della candeletta, ecco un rapido riepilogo sulla funzione della centralina della candeletta. La centralina è responsabile della sincronizzazione, della durata e della corrente elettrica necessaria per le candelette. Queste informazioni sono inviate dal microcontroller alla centralina della candeletta tramite l'interruttore di accensione intelligente alle candelette. Quindi, quando accendi un'auto diesel, la centralina della candeletta determina quanta potenza sia necessaria per la candeletta, per quanto tempo e quando, prima di inviare la potenza necessaria alle candelette. La corrente elettrica riscalda le candelette fino a 1300°C per consentire una combustione efficiente della miscela di aria compressa e carburante. Se tutto funziona bene, il motore si accende.
Oggi, le candelette non sono solo responsabili di avviare motori diesel. Esse rimangono accese per un po' di tempo dopo l'avviamento del motore per migliorare la fluidità e il rumore del motore e le prestazioni dello scappamento.
I possibili sintomi di una centralina della candeletta o di un relè di preriscaldamento difettosi includono: le candelette che non ricevono alimentazione, le candelette non rimangono accese o il relè delle candelette scatta rapidamente.

Come rimuovere e installare una centralina di controllo delle candelette
- Spegni completamente il motore e rimuovi la chiave. In alcune auto potrebbe essere necessario attendere 10-15 minuti con le porte aperte per spegnere completamente il sistema elettronico.
- Scollega il cavo negativo della batteria se non contraddice le raccomandazioni nel manuale di uso e manutenzione del veicolo. Alcune case automobilistiche sconsigliano di scollegare la batteria.
- Individua la centralina di controllo delle candelette Rimuovi il filtro dell'aria e posiziona uno straccio pulito sull'aspirazione.
- Scollega il connettore e i bulloni, quindi scollega i fili che portano al cablaggio della candeletta. La centralina di controllo delle candelette ora può essere rimossa.
- Se sostituisci solo il relè della candeletta, rimuovi i fili restanti (dopo aver segnato i terminali a cui appartengono). Quindi sostituisci il vecchio relè con quello nuovo, ricontrolla che tutti i fili siano collegati correttamente.
- Se sostituisci l'intera centralina, installala nel modo inverso rispetto a quella precedente.

Consigli e suggerimenti utili
Per riparazioni come questa, in cui non sei sicuro di poter risolvere il problema cambiando solo un piccolo componente o cambiando più componenti, potresti trovare più facile acquistare più componenti di quanti non siano necessari. In questo modo sai di avere tutto ciò di cui potresti avere bisogno, quindi non dovrai fermarti a metà del lavoro a causa di una parte mancante. In genere, è possibile restituire i componenti non necessari se si conserva la ricevuta e i componenti sono in una confezione pulita e non danneggiata.
È anche una buona idea avere uno schema chiaro per il controller e il relè della candeletta da consultare durante la riparazione. Controlla e ricontrolla che tutti i cavi siano installati correttamente, in quanto l'installazione errata può danneggiare la centralina della candeletta.

Le informazioni contenute in questo articolo sono solo a scopo di intrattenimento e informativo e non devono sostituire la consulenza professionale da parte di un tecnico qualificato. Incoraggiamo a consultare un tecnico qualificato in caso di domande o problemi relativi a qualsiasi argomento qui trattato. In nessuna circostanza saremo ritenuti responsabili per eventuali perdite o danni causati dall'aver fatto affidamento su qualsiasi contenuto.